8–22 Пн-Пт, 9–22 Сб-Вс
8 (495) 374-93-05
Бесплатно по России
8 (800) 333-09-47
Обратный звонок
0
0
0
Каталог товаров
Мойки
Смесители
Раковины для ванной
Комплекты
Кухня
Аксессуары
Все мойки
(937)
Нержавеющая сталь
Под столешницей
Над столешницей
Прямоугольные
Круглые
Серия Akisame
Серия Taki
Серия Kashiogawa
Овальные
Гранит
Прямоугольные
Над столешницей
Под столешницей
Овальные
Круглые
Серия Kata
Серия Tedori
Керамика
Все смесители
(315)
С выдвижным изливом
Гибкие
Черные
Белые
Из нержавеющей стали
Под фильтрованную воду
Классические
Современные
Под фильтрованную воду
Черные
Белые
Раковины для ванной
(14)
Комплекты
(60)
Нержавеющая сталь
Гранит
Керамика
Кухня
(23)
Измельчители
Ножи
Аксессуары
(344)
Дозаторы
Фильтры для воды
Для мойки
Для смесителя
Для измельчителя
Для кухни
Доставка и оплата
Сервис
Кредит
Гарантия
Статьи и акции
Контакты
Мойки
Мойки
(937)
Посмотреть все товары
(937)
Нержавеющая сталь
Под столешницей
Над столешницей
Прямоугольные
Круглые
Серия Akisame
Серия Taki
Серия Kashiogawa
Овальные
Гранит
Прямоугольные
Над столешницей
Под столешницей
Овальные
Круглые
Серия Kata
Серия Tedori
Керамика
Смесители
Смесители
(315)
Посмотреть все товары
(315)
С выдвижным изливом
Гибкие
Черные
Белые
Из нержавеющей стали
Под фильтрованную воду
Классические
Современные
Под фильтрованную воду
Черные
Белые
Раковины для ванной
Раковины для ванной
(14)
Комплекты
Комплекты
(60)
Посмотреть все товары
(60)
Нержавеющая сталь
Гранит
Керамика
Кухня
Кухня
(23)
Измельчители
Ножи
Аксессуары
Аксессуары
(344)
Посмотреть все товары
(344)
Дозаторы
Фильтры для воды
Для мойки
Для смесителя
Для измельчителя
Для кухни
Сравнение
0
Избранное
0
0
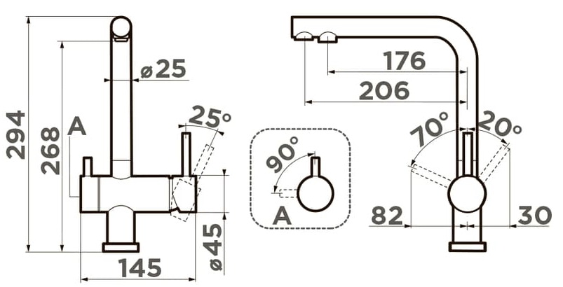
Omoikiri
Смесители
Комплект Omoikiri NAGANO-CA + PURE DROP LITE
Просмотр файла
Схема встраивания на русском языке для комплект Omoikiri NAGANO-CA + PURE DROP LITE
Вернуться назад
Скачать файл
62.77 Кб
Сравнить
Товар добавлен в сравнение. Нажмите чтобы сравнить
МАКС
Телеграм
Заказать звонок
Сказать спасибо!
Пожаловаться
Закрыть
Связаться
Для работы нашего сайта используются cookie. Используя наш сайт, вы предоставляете согласие
на обработку ваших персональных данных
с помощью сервисов веб-аналитики (Cookie) и присоединяетесь к тексту «
Согласия на обработку персональных данных
»
Соглашаюсь